PRODUCT DETAILS
Get Instant Clark 685 Y685 (OH-539) Forklift Overhaul Manual - Download PDF
TABLE OF CONTENTS
Introduction
Subject index / Pictorial index
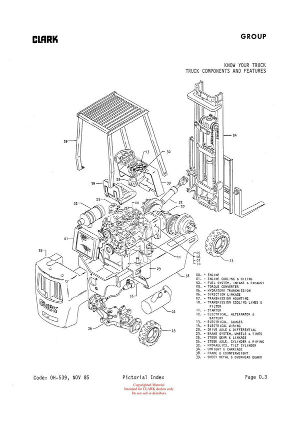
Know your truck
Safety information
Engine removal
Engine Overhaul (3.86 L Gas/LPG)
Engine Overhaul (4.06 L Diesel)
Carburetor Overhaul
Governor Overhaul
Impco Vaporizing Regulator
Transmission Removal
Hydratork Transmission (H220-H213)
Starter Overhaul
Alternator Overhaul
Axle End
Drive Axle End
Differential- 2 piece case
Brake Master Cylinder (OH-224)
Steering Gear Removal
Steering Gear Overhaul
Steer Axle Removal
Steering Axle Overhaul
Steering Cylinder Removal
Steering Cylinder Overhaul
Hydraulic Pump Overhaul
Hydraulic Valve Overhaul
Tilt Cylinder Removal
Tilt Cylinder Overhaul
Counterweight Removal
Pages - 347
Instant Download – After Payment
Lifetime PDF And Access To Download (By Request)
Compatible With Windows, Mac, Ios, Android And Other Systems
Searchable Text And Built-in Index For Instant Information Search
Bookmarks
Printable – Pages Or Entire Manual
Zoomable – Detailed Exploded Diagrams, Picture.


