High Quality Manual

New Holland L213,L215,L218,L220,L225,L230,200 Series C227,C232,C238-Elect EH Schematic Manual

In Stock

Regular price $24.90 USD $49.90 USD


/
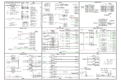
New Holland L213,L215,L218,L220,L225,L230,200 Series C227,C232,C238-Elect EH Schematic Manual - PDF File Dare to master the complex electrical and hydraulic systems of your New Holland equipment with this boundary-pushing schematic manual....
-1