High Quality Manual

DOWNLOAD HYUNDAI R290LC-7A CRAWLER EXCAVATOR PARTS MANUAL

In Stock

Regular price $37.92 USD


/
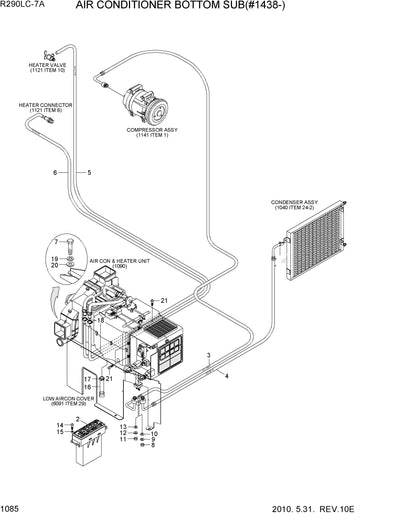
HYUNDAI R290LC-7A CRAWLER EXCAVATOR PARTS MANUAL This parts catalog is necessary for determination of original number of the spare part of the producer. Further according to this number it was...
0