High Quality Manuals

DOWNLOAD HYUNDAI R480LC-9A CRAWLER EXCAVATOR PARTS MANUAL

In Stock

Regular price $37.92 USD


/
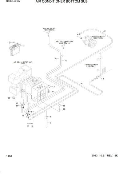
DOWNLOAD HYUNDAI R480LC-9A CRAWLER EXCAVATOR PARTS MANUAL  This parts catalog is necessary for determination of original number of the spare part of the producer. Further according to this number it...
-2