High Quality Manual

DOWNLOAD HYUNDAI 35 40 45D-9A,50DA-9A FORK LIFT-DIESEL PARTS MANUAL

In Stock

Regular price $37.92 USD


/
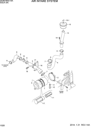
DOWNLOAD HYUNDAI 35 40 45D-9A,50DA-9A FORK LIFT-DIESEL PARTS MANUAL This parts catalog is necessary for determination of original number of the spare part of the producer. Further according to this...
-3