PRODUCT DETAILS
DOWNLOAD HYUNDAI 50/6070DF-7 FORKLIFT DIESEL PARTS MANUAL
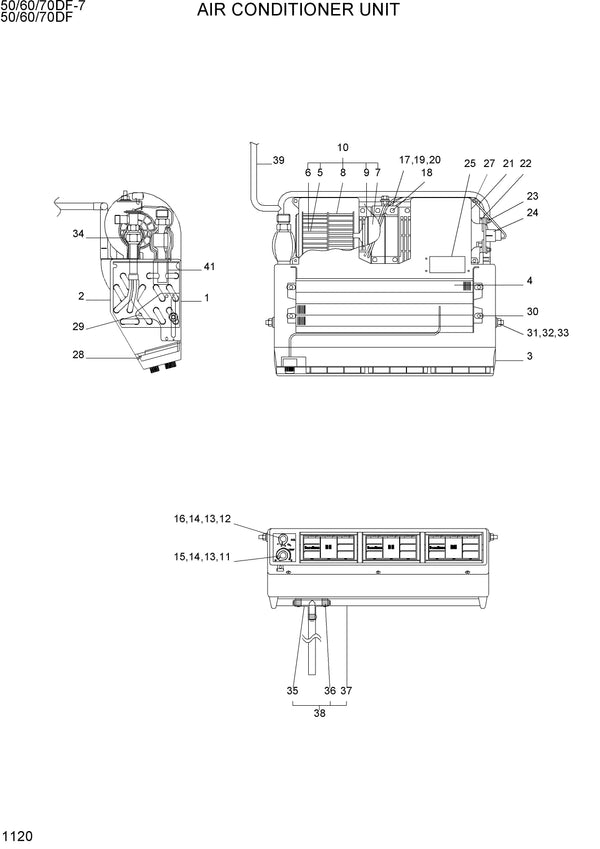
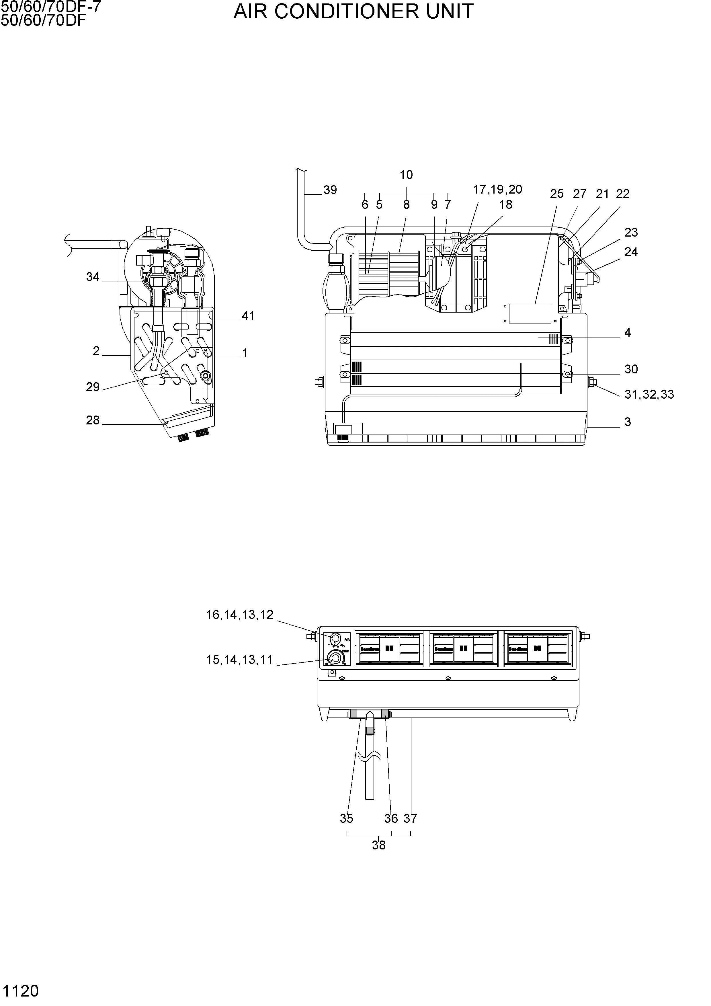
This parts catalog is necessary for determination of original number of the spare part of the producer. Further according to this number it was possible to find, order, buy easily the spare part for your machine.
This parts catalog contains parts used for all the machines having machine numbers which match serial numbers of this directory.
PDF manuals have: Bookmarks, Searchable Text and Improved Quality.
* INSTANT DOWNLOAD – NO WAITING
* LANGUAGE: English
* FORMAT: PDF
* COMPATIBLE: All Versions of Windows, Mac, iOS, BB, Android, etc
* SEARCHABLE – BOOKMARKED
This catalog is divided into main sections corresponding to specific areas of the product. Each section is represented by detailed figures (illustrations), diagrams, part numbers to assist in locating and identifying parts.
Keep in mind that this is NOT a service/repair manual, only a parts catalog!
Categorized into groups such as:
– Engine
– Wheels
– Fuel System
– and MUCH MORE
And the ability to search makes finding what you need as easy as typing a word.
The Manual can be viewed on any computer, as well as zoomed and printed.


