High Quality Manual

DOWNLOAD CATERPILLAR 3306 GEN SET ENGINE SERVICE REPAIR MANUAL 7HB

In Stock

Regular price $31.92 USD $127.93 USD


/
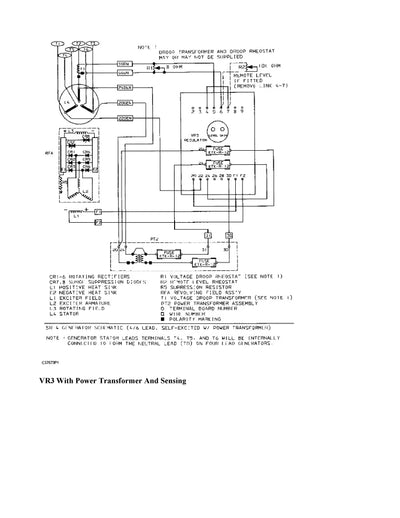
CATERPILLAR 3306 GEN SET ENGINE SERVICE REPAIR MANUAL 7HB  It is Complete Original Factory for Caterpillar 3306 GEN SET ENGINE. Covers all the service and repair information about Caterpillar 3306...
0