High Quality Manual

DOWNLOAD HYUNDAI HL740-3 (#0848-) WHEEL LOADER PARTS MANUAL

In Stock

Regular price $37.92 USD $79.90 USD


/
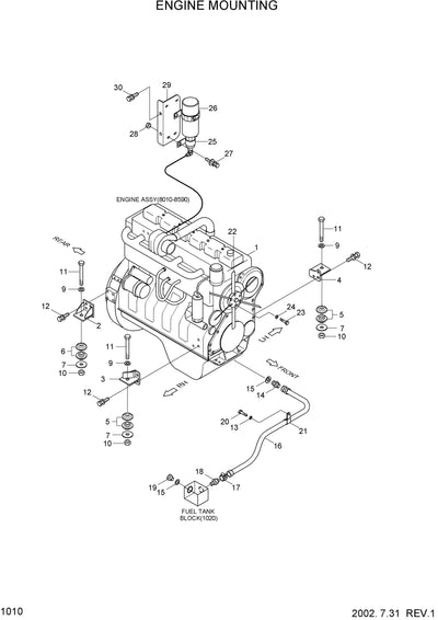
DOWNLOAD HYUNDAI HL740-3 (#0848-) WHEEL LOADER PARTS MANUAL This parts catalog is necessary for determination of original number of the spare part of the producer. Further according to this number...
-4